Государственный реестр средств измерений (ГРСИ)

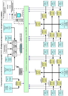
АО "Водоканал", г. Чебоксары

Поверяемое оборудование
32819-06 32819-06 2006 Счетчики холодной и горячей воды крыльчатые ВСВХ-15, ВСВГ-15 5 поверок 19089-99 19089-99 1999 Счетчики холодной и горячей воды крыльчатые Сигма (ВСХ-15, ВСГ-15) 5 поверок 63458-16 63458-16 2016 Счетчики воды одноструйные Пульсар 4 поверки 47597-11 47597-11 2011 Термопреобразователи сопротивления платиновые TS-RTD-R01 4 поверки 29146-05 29146-05 2005 Счетчики холодной и горячей воды крыльчатые одноструйные ETK и ETW 4 поверки 24860-11 24860-11 2011 Счетчики холодной воды и горячей воды крыльчатые EV-AM (холодной воды) и EV-AM1 (горячей воды) 4 поверки 19653-00 19653-00 2000 Счетчики холодной и горячей воды крыльчатые и турбинные ВДГ (крыльчатые) и ВДТГ (турбинные) 4 поверки 19653-05 19653-05 2005 Счетчики холодной воды крыльчатые, турбинные; холодной и горячей воды крыльчатые, турбинные ВДХ (холодной воды крыльчатые), ВДТХ (холодной воды турбинные), ВДГ (холодной и горячей воды крыльчатые), ВДТГ (холодной и горячей воды турбинные) 4 поверки 13965-02 13965-02 2002 Счетчики горячей воды СКВГ 90-7/25 4 поверки 13667-01 13667-01 2001 Счетчики горячей воды крыльчатые ETW 4 поверки 53352-13 53352-13 2013 Счетчики воды крыльчатые универсальные Экомера ЭКО-15, Экомера ЭКО-20, Экомера ЭКО-25, Экомера ЭКО-32, Экомера ЭКО-40, Экомера ЭКО-50 3 поверки 44872-10 44872-10 2010 Система автоматизированная информационно-измерительная коммерческого учета электроэнергии (АИИС КУЭ) ОАО "Мценский литейный завод" 3 поверки 27361-04 27361-04 2004 Счетчики скоростные крыльчатые холодной и горячей воды СКВ / СКВГ90 / СКВГ90-ГК / СКВГ150-ГК 3 поверки 26382-07 26382-07 2007 Счетчики холодной и горячей воды крыльчатые VLF-R 3 поверки 26382-12 26382-12 2012 Счетчики холодной и горячей воды крыльчатые VLF-R 3 поверки 15746-96 15746-96 1996 Счетчики холодной и горячей воды одноструйные и многоструйные Minomess (FAZ, MB3, MC, Minolist ER1); Minomess M (NR-K,VR-K, NR-W, VR-W) 3 поверки 76699-19 76699-19 2019 Счетчики воды сухоходные крыльчатые универсальные ЭКО НОМ СВ 2 поверки 48241-11 48241-11 2011 Счетчики холодной и горячей воды крыльчатые одноструйные ET 2 поверки 47153-11 47153-11 2011 Счетчики воды крыльчатые ОХТА 2 поверки 44575-10 44575-10 2010 Измерители плотности DA 2 поверки 42813-09 42813-09 2009 Счетчики воды крыльчатые Миномесс 2 поверки 37583-08 37583-08 2008 Счетчики холодной и горячей воды крыльчатые WFK3, WFW3 2 поверки 33948-07 33948-07 2007 Счетчики холодной и горячей воды Maddalena мод. CDS/D8 2 поверки 28788-05 28788-05 2005 Счетчики холодной и горячей воды турбинные ВСВХ, ВСВГ 2 поверки 25986-03 25986-03 2003 Счетчики холодной и горячей воды крыльчатые WFK2.../WFW2... 2 поверки 24860-03 24860-03 2003 Счетчики холодной и горячей воды крыльчатые EV-AM (хол.) и EV-AM1 (гор.) 2 поверки 23648-07 23648-07 2007 Счетчики горячей воды ВСГ, ВСГд 2 поверки 15746-01 15746-01 2001 Счетчики холодной и горячей воды одноструйные и многоструйные Minomess (FAZ, MB3, MC, Minolist ER1) - одноструйные; Minomess M (VR-K, VR-W) - многоструйные 2 поверки 72737-18 72737-18 2018 Приборы учета горячей и холодной воды КВАНТ-СВ-15 1 поверка 66793-17 66793-17 2017 Счетчики крыльчатые холодной и горячей воды Maddalena 1 поверка 58362-14 58362-14 2014 Счетчики холодной и горячей воды крыльчатые торговой марки "VALTEC" VLF 1 поверка 54836-13 54836-13 2013 Счетчики воды крыльчатые СВК (СВК-25Г(И), СВК-32Г(И), СВК-40Г(И), СВК-50Г(И)) 1 поверка 53233-13 53233-13 2013 Система телеизмерений ООО "Ноябрьская парогазовая электрическая станция" 1 поверка 49591-12 49591-12 2012 Система автоматизированная информационно-измерительная коммерческого учета электроэнергии (АИИС КУЭ) ОАО "БелЗАН" 1 поверка 43682-10 43682-10 2010 Счетчики холодной и горячей воды крыльчатые Тритон 1 поверка 32538-06 32538-06 2006 Счетчики крыльчатые одноструйные холодной и горячей воды ОСВХ и ОСВУ 1 поверка 31727-06 31727-06 2006 Счетчики воды крыльчатые универсальные с импульсным выходом, счетчики холодной воды крыльчатые с импульсным выходом, счетчики горячей воды крыльчатые с импульсным выходом СВК-15И "Агидель" (универсальные), СХВК-15И "Агидель" (холодной 1 поверка 31107-06 31107-06 2006 Счетчики холодной и горячей воды крыльчатые CD S/D8, CD ONE TRP, DS TRP, DS TRP V, DS S/D 1 поверка 27361-09 27361-09 2009 Счетчики скоростные крыльчатые холодной и горячей воды СКВ/ СКВГ90/ СКВ-АМ/ СКВГ90-АМ/ СКВ-ГК/ СКВГ90-ГК/ СКВГ150-ГК 1 поверка 25708-03 25708-03 2003 Счетчики холодной и горячей воды крыльчатые WFK2, WFW2 1 поверка 15314-00 15314-00 2000 Счетчики холодной и горячей воды JS и WS 1 поверка 14185-99 14185-99 1999 Счетчики холодной воды крыльчатые СХВК-15 "Агидель" 1 поверка 13400-92 13400-92 1992 Счетчики крыльчатые холодной воды СВ-15 1 поверка